Ведущий мост трактора малой мощности WL50
1.Жесткая конструкция, стабильная и надежная
2.Двухступенчатое торможение со стороны колеса, высокая эффективность и энергосбережение
3.Строгое качество, адаптированное к международным стандартам
4.Глобальная адаптация, простота установки и обслуживания
5.Высокая несущая способность и отличные эксплуатационные параметры
Благодаря непрерывному ускорению глобального процесса мелкомасштабной механизации сельского хозяйства тракторы малой мощности стали основным оборудованием для малых и средних фермерских хозяйств, садоводов и горных работ, обладая преимуществами гибкости, высокой эффективности и энергосбережения. В качестве основных компонентов передачи и транспортировки электроэнергии надежность от эффективности и срока службы сельскохозяйственной техники напрямую зависит ее грузоподъемность.Компания Shandong Lutong Heavy Industry Machinery Co., Ltd. (далее именуемая “Шаньдун Лутонг”), основываясь на 33-летнем опыте производства ведущих мостов и точном понимании мирового спроса на сельскохозяйственную технику малой мощности, выпустила Ведущий мост трактора малой мощности WL50 - жесткую ось, предназначенную для привода задних колес трансмиссия. Благодаря простой конструкции, высокой производительности и высокой адаптивности, она стала предпочтительным вспомогательным продуктом для зарубежных производителей сельскохозяйственной техники и продолжает способствовать модернизации механизации сельского хозяйства во всем мире.
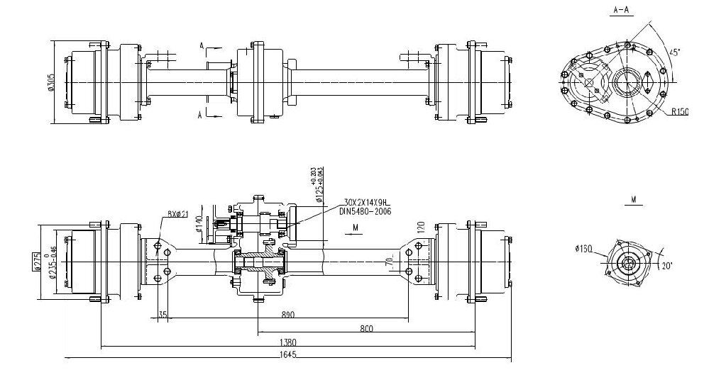
В отличие от конструкции переднего ведущего моста с функцией рулевого управления той же серии, Ведущий мост трактора малой мощности WL50 имеет чисто жесткую конструкцию оси, полностью отказываясь от рулевого механизма, ориентируясь на двухъядерные требования “трансмиссия мощности + подшипник большой нагрузки”, конструкция более простая и стабильная, вероятность выхода из строя снижается из-за первопричины конструкции, и она адаптирована к задним колесам тракторов малой мощности, что идеально соответствует характеристикам “высокая частота, небольшая нагрузка и многоступенчатость” при выполнении небольших сельскохозяйственных работ.
Компания Shandong Lutong, являющаяся профессиональным производителем ведущих мостов на протяжении 33 лет, опирается на накопленные передовые технологии и возможности глобального сервисного обслуживания, что позволяет повысить конкурентоспособность ведущих мостов тракторов малой мощности на международном уровне.В отличие от традиционной концепции проектирования, предусматривающей “высокую производительность и легкую адаптацию” заднего ведущего моста, этот продукт сохраняет основные эксплуатационные преимущества, полностью учитывая условия эксплуатации в сельском хозяйстве и стандарты адаптации сельскохозяйственной техники в различных регионах мира. Основные эксплуатационные параметры превосходны: статическая нагрузка может достигать 6000 кг, динамическая нагрузка высокая грузоподъемность в 3500 кг позволяет легко справляться с различными требованиями к нагрузке на трактор малой мощности; максимальный крутящий момент составляет 8500 н.m, передаточное число оборотов точно установлено на 31,55, передача мощности осуществляется эффективно и плавно, что эффективно снижает потери мощности и расход топлива и помогает пользователям контролировать эксплуатационные расходы.
Подробные технические параметры:
Общее передаточное число оборотов | 31.55:1 |
Максимальный выходной крутящий момент | 8500N.m |
Рабочая нагрузка | 3500kg |
Статическая нагрузка | 6000kg |
Передаточное число главного редуктора | 2.684:1 |
Требования к смазочным материалам для мостов | GL-5:75W/90 Gear Oil |
В условиях все более жесткой рыночной конкуренции на мировом рынке вспомогательной сельскохозяйственной техники Ведущий мост трактора малой мощности WL50 отличается такими основными преимуществами, как “простая конструкция, надежная работа и широкая адаптируемость”, и стал одним из основных продуктов Shandong Lutong для расширения международного рынка сельскохозяйственной техники.Его основная конкурентоспособность отражается не только в превосходных параметрах, но и в детальном проектировании и обеспечении качества, которые отвечают потребностям рынка внешней торговли.:
Простая и жесткая конструкция создает прочный фундамент для надежности.Применена жесткая конструкция моста, устранены сложные компоненты рулевого управления, значительно сокращено количество деталей, а конструкция стала более компактной. Это не только снижает сложность производства и сборки, но и более эффективно снижает вероятность выхода из строя, повышает надежность эксплуатации изделия, адаптируется к длительному сроку службы.обеспечивает длительную высокочастотную эксплуатацию тракторов малой мощности и значительно снижает затраты на несвоевременное техническое обслуживание, что отвечает основным требованиям зарубежных пользователей к “беспроблемности и долговечности”.
Двухступенчатая система торможения со стороны колеса обеспечивает высокую эффективность и экономию энергии.Оснащенный двухступенчатой трансмиссией с торможением со стороны колеса, он соответствует характеристикам мощности тракторов малой мощности, с КПД трансмиссии более 90% и низкими потерями при передаче мощности. Он может не только обеспечить высокую выходную мощность, но и эффективно снизить расход топлива сельскохозяйственной техникой, в том числе соответствует глобальной тенденции развития низкоуглеродного сельского хозяйства, адаптируясь при этом к энергетическим потребностям различных сценариев эксплуатации с учетом практичности и экономичности.
Строгий контроль качества, адаптированный к международным стандартам.
Опираясь на систему менеджмента качества ISO9001, компания Shandong Lutong создала систему контроля качества на протяжении всего процесса - от поступления сырья до поставки готовой продукции. Компания оснащена высококачественным испытательным оборудованием, таким как трехкоординатный детектор Hexagon и металлографический микроскоп MDS, для проведения всесторонних испытаний продукции точность обработки, производительность материала и герметизирующий эффект.Все сырье отбирается у известных в отрасли поставщиков и проходит строгую проверку материалов и анализ состава, чтобы гарантировать стабильную работу продукции в суровых условиях эксплуатации, таких как влажность, пыль и неровности, а также полное соответствие международным стандартам отрасли сельскохозяйственного машиностроения.
Структура продукта, размеры и интерфейс установки стандартизированы и могут быть непосредственно адаптированы к различным моделям тракторов малой мощности по всему миру без дополнительных модификаций. В то же время параметры могут быть точно настроены в соответствии с индивидуальными потребностями зарубежных заказчиков для удовлетворения вспомогательных потребностей различных марок и моделей; Модульная конструкция делает более удобным последующее техническое обслуживание, универсальность запасных частей и удобство закупок, что эффективно снижает затраты на техническое обслуживание и время зарубежных пользователей.
Помимо высокой эффективности самого продукта, совершенная глобальная система сервисного обслуживания Shandong Lutong также обеспечивает надежную гарантию продвижения ведущих мостов тракторов за рубеж.Ежегодная производственная мощность компании может достигать 50 000 комплектов различных ведущих мостов и опорных элементов, 20 000 комплектов небольших коробок передач и гидротрансформаторов, а достаточный запас производственных мощностей позволяет эффективно удовлетворять потребности клиентов по всему миру в стандартных закупках и экстренном пополнении запасов, а также устранять проблемы, связанные с задержками поставок из-за рубежа; внедрить интеллектуальную систему управления ERP для реализации стандартизированной работы всего процесса оформления заказов, производственного контроля и отслеживания отгрузки, чтобы повысить эффективность трансграничных поставок; иметь профессиональную команду международной торговли, владеющую многоязычной коммуникацией и процессами трансграничной торговли, способную предоставить зарубежным клиентам единый сервис. -предоставляйте услуги по предпродажной технической консультации, настройке продукта в процессе продажи и послепродажному техническому обслуживанию. Быстро реагируйте на потребности клиентов и решайте различные проблемы в процессе использования продукта.
В настоящее время Ведущий мост трактора малой мощности успешно используются известными российскими производителями сельскохозяйственной техники. Благодаря стабильной работе, простой конструкции и высокой стоимости они завоевали высокое признание зарубежных производителей сельскохозяйственной техники и конечных пользователей.Являясь важным партнером Shandong Lutong в расширении международного рынка сельскохозяйственной техники, этот продукт не только демонстрирует основные преимущества китайского производства ведущих мостов, но и становится важным связующим звеном между китайской отраслью сельскохозяйственного машиностроения и мировым рынком.
Глядя в будущее, компания Shandong Lutong продолжит ориентироваться на потребности глобальных заказчиков и полагаться на 33-летний опыт производства ведущих мостов для постоянной оптимизации характеристик ведущих мостов тракторов малой мощности, углублять исследования и разработки двухколейной технологии для жестких мостов и рулевых осей, принимая во внимание устойчивость и надежность Жесткий мост, а также гибкая адаптация рулевых осей, внедрение более легких и энергосберегающих технологий и дальнейшее повышение международной конкурентоспособности жестких осей и изделий с рулевыми осями; в то же время дальнейшее расширение структуры международного рынка, совершенствование системы трансграничного обслуживания и обеспечение глобального сельскохозяйственного развития. производители и дистрибьюторы оборудования предлагают более конкурентоспособную продукцию для ведущих мостов и вспомогательные решения.Независимо от того, являетесь ли вы зарубежным производителем сельскохозяйственной техники, дистрибьютором строительной техники или крупными фермами или кооперативами по производству сельскохозяйственной техники, компания Shandong Lutong будет сотрудничать с вами, чтобы обеспечить беспроигрышную ситуацию, предлагая высококачественные жесткие и рулевые оси, эффективное обслуживание и конкурентоспособные цены, способствующие качественному развитию мирового рынка. отрасль малой механизации сельского хозяйства.










