Ведущий мост трактора T400
1.Двухступенчатая коробка передач с замедлением
2.Корпус моста из литой стали
3. Самоблокирующийся дифференциал без вращения, нескользящий на 100%
4.Экспортируется в Россию в больших количествах
5.Настраиваемый
Ведущий мост трактора T400 специально разработан для российского рынка и подходит для тракторов мощностью 400 лошадиных сил.Ведущий мост является основой стабильной работы - частые перегрузки, низкий КПД трансмиссии, плохое сцепление на сложных сельскохозяйственных угодьях и неустойчивое торможение при работе в тяжелых условиях - вот основные проблемы, которые влияют на эффективность работы и увеличивают затраты на техническое обслуживание.Наш ведущий мост трактора T400 специально разработан для решения этих проблем, имеет профессиональную конструкцию и надежную работу, чтобы полностью соответствовать вашим потребностям в эксплуатации мощных тракторов.Продукт обладает стабильным качеством, экспортируется в течение многих лет практически без проблем с качеством и был проверен рынком.
Особенности продукта:
1.Передающее устройство для двухступенчатого торможения:
Ведущий мост трактора T400 оснащен двухступенчатой передачей с замедлением, которая эффективно решает проблемы недостаточного крутящего момента и легкого износа ведущего моста, вызванные работой на высокой мощности, значительно продлевает срок службы изделия и снижает частоту и стоимость технического обслуживания.
Для основного замедления используется система передачи со спиральным коническим зубчатым колесом Gleason, а для дополнительного замедления со стороны колеса используется планетарный механизм передачи NGW, который обладает высокой эффективностью передачи, низким уровнем шума и высокой грузоподъемностью.
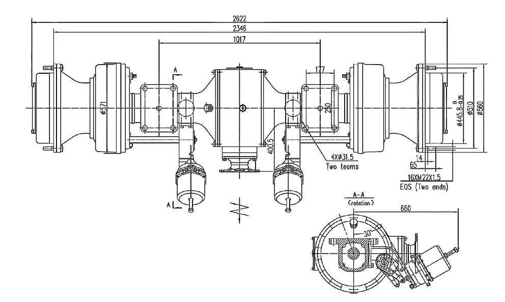
ОСНОВНЫЕ ТЕХНИЧЕСКИЕ ПАРАМЕТРЫ
Общее общее передаточное отношение | 17.66 |
Максимальный входной крутящий момент | 9500N.m |
Нагрузка на один мост | 28000Kg |
Давление масла тормозной системы | 11MPa |
Тормозной момент одного суппорта | 13000N.m |
2.Самоблокирующийся дифференциал:
Интегрированная система передачи мощности оснащена дифференциалом повышенного трения с блокировкой, который идеально решает проблему плохого сцепления с дорогой, вызванную проскальзыванием колес в сложных дорожных условиях, улучшает эффективность контроля тяги, позволяет избежать потери мощности и обеспечивает стабильную и эффективную работу вашего трактора даже в тяжелых условиях эксплуатации.
3.Корпус моста из литой стали:
Корпус моста изготовлен из литой стали, отлитой как единое целое, с хорошей жесткостью и большой несущей способностью.
4.Барабанный тормоз:
Тормозная система оснащена барабанными тормозами, которые обладают надежным тормозным усилием, быстрой реакцией и стабильными характеристиками торможения.Даже после интенсивной и длительной непрерывной работы можно избежать сбоев в торможении, гарантировать безопасность торможения и эффективно защитить операторов, тракторы и сельскохозяйственное оборудование.
Наш ведущий мост трактора T400 сочетает в себе профессиональную технологию и практичные характеристики, ориентируясь на решение основных проблемных вопросов клиентов с точки зрения эффективности, долговечности, безопасности и стоимости.Это надежный выбор для вас, позволяющий повысить эффективность сельскохозяйственных работ и снизить эксплуатационные расходы. Мы поддерживаем настройку в соответствии с вашей моделью трактора и региональными потребностями эксплуатации, а также предоставляем профессиональное послепродажное обслуживание, чтобы решить ваши проблемы в процессе эксплуатации.
Одобрение клиента:
Основная информация об основных производителях: Петербургский тракторный завод
ООО "Санкт-Петербургский тракторный завод" - одно из старейших машиностроительных предприятий России и основатель отечественной тракторостроительной промышленности.Первые тракторы компания выпустила в 1924 году
Компания PTZ была и остается единственным отечественным производителем в Японии, который производит мощные колесные сельскохозяйственные тракторы с высоким энергопотреблением.Объем производства тракторов Kirovitz превысил 480 000 единиц.
Детали сотрудничества:
Полагаясь на высококачественную продукцию для ведущих мостов, профессиональные возможности кастомизации и безупречную гарантию послепродажного обслуживания, наша компания успешно прошла несколько этапов строгих проверок (включая тестирование эксплуатационных характеристик продукции, сертификацию системы качества, аудит производственных мощностей и т.д.) крупнейшего производителя и стала основным поставщиком вспомогательных устройств для ведущих мостов из своих тракторов мощностью 400 л.с. и выше. Сотрудничество длится уже 17 лет.
1.Ведущий мост нашего трактора T400 (подходит для моделей тракторов мощностью 400 лошадиных сил от ведущих производителей);
2. Масштаб сотрудничества: мы поставляем ведущие мосты крупнейшему производителю в течение 17 лет, и ежегодные поставки стабильно составляют более 5000 комплектов.;
3. Режим сотрудничества: В рамках долгосрочного стратегического сотрудничества наша компания постоянно оптимизирует конструкцию и характеристики ведущего моста в соответствии с потребностями ведущих производителей в модернизации, а также обеспечивает индивидуальную техническую поддержку и послепродажное обслуживание.
Ведущий производитель четко заявил: "Ведущий мост трактора Shandong Lutong мощностью 400 л.с. идеально соответствует требованиям эксплуатации наших мощных тракторов. Он обладает высокой эффективностью трансмиссии, низким уровнем отказов, высокой адаптивностью и может эффективно снизить энергопотребление всей машины. Это полностью соответствует требованиям нашей компании. строгие стандарты в отношении вспомогательных деталей.”
Расширение сферы применения:
Возможность стать основным поставщиком вспомогательных услуг для ведущего производителя в отрасли является достаточным доказательством того, что качество продукции, производительность и технический уровень нашего ведущего моста были признаны авторитетными отраслевыми органами.В настоящее время наши стандарты производства ведущих мостов и система контроля качества синхронизированы с требованиями крупнейшего производителя, чтобы гарантировать одинаково высокое качество каждого комплекта ведущих мостов, что может обеспечить стабильную и надежную опору для ваших тракторов и помочь вам повысить конкурентоспособность вашей продукции.
Сила компании:
Компания Shandong Lutong уже 32 года специализируется на производстве ведущих мостов для машиностроительной техники и ежегодно выпускает 50 000 ведущих мостов различных типов и 20 000 гидротрансформаторов для небольших коробок передач.
Компания уделяет большое внимание управлению качеством, безопасностью, охраной здоровья и окружающей среды. Она внедрила систему ERP-менеджмента, получила сертификат системы менеджмента качества ISO9001 и располагает трехкоординатным детектором Hexagon, металлографическим микроскопом MDS и другим испытательным оборудованием для обеспечения точности и качества обработки изделий.
Техническая команда:
Компания сформировала профессиональную и опытную команду по техническим исследованиям, разработкам и технической поддержке, которая обеспечивает постоянную модернизацию продукции для ведущих мостов, стабильное качество и индивидуальные услуги. Это является для нас ключевым фактором в развитии отрасли и завоевании признания клиентов по всему миру.Основные члены команды имеют более чем 15-летний опыт работы в области ведущих мостов строительной техники, включая старших инженеров, экспертов по технологическим процессам, специалистов по техническим исследованиям и разработкам и другие должности, а также обладают глубокими техническими знаниями и богатым практическим опытом в основных технических областях, таких как проектирование конструкции трансмиссии ведущего моста, зубчатые передачи. прецизионная механическая обработка, оптимизация адаптации к работе в тяжелых условиях, отладка производительности и калибровка.
Мы всегда придерживаемся концепции развития, основанного на технологических инновациях. Техническая команда уже давно сосредоточена на потребностях зарубежного рынка и технических проблемах отрасли и постоянно продвигает итерацию и модернизацию технологии производства. Она может быстро реагировать на индивидуальные технические потребности клиентов по всему миру и обеспечивать индивидуальную техническую стыковку, программирование. оптимизация и послепродажная техническая поддержка.В то же время команда установила тесные отношения сотрудничества с известными отечественными университетами и научно-исследовательскими институтами и совместно провела основные технологические исследования, чтобы гарантировать, что технология производства компании всегда будет на переднем крае отрасли, и предоставлять клиентам по всему миру более конкурентоспособную продукцию для ведущих мостов. и технические решения.
Интеллектуальное производство:
В производственном процессе компания придает большое значение автоматизации и интеллектуальной модернизации. В основных процессах полностью реализовано интеллектуальное производство с ЧПУ. Опираясь на высококачественные автоматизированные производственные мощности, компания дополнительно гарантирует постоянство, стабильность и эффективность производства, а также обеспечивает эффективные и высококачественные поставки клиентам по всему миру.
Для производства осей для тракторов T400 мы специально оборудовали специализированную автоматизированную производственную линию, позволяющую автоматизировать весь процесс, начиная с обработки основных компонентов, что значительно сокращает количество ошибок, вызванных ручным вмешательством, повышает точность производства и эффективность массового производства, а также позволяет быстро реагировать на потребности клиентов по всему миру в оптовых закупках для осей трактора мощностью 400 лошадиных сил.
Манипуляторы, которыми оснащены все производственные линии, оснащены передовым оборудованием международных брендов, включая ABB, KUKA, Fanuc и другое всемирно известное автоматизированное оборудование. Они обладают преимуществами высокой точности, стабильности и эффективности. Они могут точно выполнять ключевые процессы, такие как обработка зубчатых колес, сборка деталей и обработка изделий, это не только обеспечивает точность обработки и качество изготовления оси, но и эффективно повышает производственные мощности и помогает нам предоставлять более конкурентоспособные услуги по доставке продукции клиентам по всему миру.
Контроль качества:
В целях дальнейшего обеспечения надежности продукции все изделия для ведущих мостов перед отправкой с завода должны пройти строгое полное тестирование, включая проверку на герметичность, шумоподавление, стендовые испытания и другие ключевые моменты, а также всестороннюю проверку герметичности изделия, стабильности трансмиссии, снижения уровня шума и других основных параметров, чтобы предотвратить выпуск некачественной продукции. от попадания на рынок.Для исследований и разработки новых продуктов мы создали дополнительный авторитетный механизм проверки. После завершения исследований и разработки новых продуктов они будут отправлены в авторитетные испытательные учреждения, такие как China Automobile Research and Development, для проведения профессиональных имитационных стендовых испытаний, чтобы всесторонне смоделировать производительность продукта в реальных условиях эксплуатации. после многократной тщательной проверки и подтверждения того, что качество полностью соответствует требованиям, оно будет официально запущено в массовое производство и выведено на рынок, что эффективно защитит опыт использования и права на сотрудничество клиентов по всему миру.
Продажи и сервисное обслуживание:
Shandong Lutong настаивает на предоставлении клиентам наиболее экономичных продуктов и услуг наилучшего качества, а также предоставляет клиентам индивидуальные услуги.Для быстрого удовлетворения потребностей клиентов имеется склад запасных частей для послепродажного обслуживания и команда послепродажного обслуживания.
В процессе доставки мы полагаемся на стабильные резервы производственных мощностей и эффективную систему управления цепочкой поставок, что обеспечивает быстрое реагирование и доставку в сжатые сроки, а также эффективное решение основных проблем, связанных с “несвоевременной доставкой” у клиентов по всему миру.Для обычных моделей ведущих мостов мы создаем точечные резервы, и клиенты могут ответить в течение 24 часов после размещения заказа; для эксклюзивных заказов на тракторные оси T400, благодаря эффективной производственной мощности специализированной автоматизированной производственной линии, производство может быть быстро завершено и укомплектовано, что обеспечивает более высокую скорость обработки заказа. больше, чем в среднем по отрасли.
Мы наладили долгосрочное и углубленное сотрудничество с рядом известных логистических компаний по всему миру, чтобы оптимизировать международные логистические и транспортные решения, объединить различные регионы клиентов, выбрать наилучшие каналы транспортировки и значительно сократить цикл доставки. По сравнению с аналогичными продуктами в отрасли, наш международный цикл доставки значительно сокращается. этот срок сокращается в среднем на 3-5 дней, что позволяет клиентам быстро получать продукцию и вводить ее в эксплуатацию, эффективно сокращая затраты клиентов на складские запасы и время, а также улучшая качество сотрудничества.
Являясь основным поставщиком ведущих мостов, мы уже много лет занимаемся исследованиями, разработкой и производством ведущих мостов. Вся продукция сертифицирована по стандарту ISO, отличается высокой эффективностью, долговечностью и возможностью адаптации. Мы предоставляем индивидуальные решения и локализованное послепродажное обслуживание клиентам по всему миру.
Независимо от того, являетесь ли вы производителем тракторов, дистрибьютором сельскохозяйственной техники или крупным фермерским хозяйством, мы можем предоставить вам высококачественную продукцию для ведущих мостов и профессиональные услуги. Свяжитесь с нами сейчас, чтобы получить бесплатное предложение или проконсультироваться с индивидуальным решением - мы свяжемся с вами в течение 24 часов.



















